21-04-2020 21:10
Riet van Oosten
Hello, Found by Gert Kremer on 05-04-2020, The Ne
22-04-2020 18:16
Juuso ÄikäsThese were growing on one of the end branches of a
21-04-2020 20:14
Andgelo Mombert
Bonsoir, Sur brindille morte d'Acer pseudoplatan
22-04-2020 11:36
Charles Aron
Hi All, I've just noticed Ibai's post on on an as
21-04-2020 21:22
Yannick Mourgues
Bonsoir. Est-ce que celui-là vous inspire ? Le
18-04-2020 21:53
Ethan CrensonHello all, Earlier this week a friend found what
Chaetoplea spec.??
Stefan Blaser,
17-04-2020 13:25
Dear all,
It would be great if anybody could make a suggestion considering this collection.
As it may be a Chaetoplea species, I would also be very thankful for any Literature on this genus.
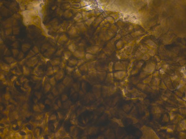
Ecology: On dead branch of Castanea
Macro:
Perithecia globose, black, about 300 µm in diameter, collapsed when dry
Micro:
Asci: saccate, 42-50 x 22-25 µm
Spores: Dictyosporous, greyish brown, with 3 (-4-6) transversal and 1(-2) longitudinal septa, mostly 14-17 x 8-9 µm, some Spores prolonged up to 23 µm.
Perithecial wall: Angular to rounded, brown cells with a diameter of 5-10 µm
Any help would be very welcome.
Best wishes,
Stefan
Alain GARDIENNET,
17-04-2020 15:33
Re : Chaetoplea spec.??
Hi Stefan,
Toay, it's difficult to say what is Chaetoplea. Your fungus is probably close to Thyridium.
Please, contact Hermann Voglmayr.
Alain
Stefan Blaser,
18-04-2020 11:51
Re : Chaetoplea spec.??
Thank you Alain, I will
Stefan




