10-04-2026 15:51
William Slosse
Hello everyone, On 08/04/26, I found a growth sit
09-04-2026 15:25
Jac GelderblomOn bare soil between mosses Ifound an asco I deter
09-04-2026 13:55
Thomas Læssøehttps://svampe.databasen.org/observations/10589176
09-04-2026 10:12
Thomas Læssøehttps://svampe.databasen.org/observations/10587061
08-04-2026 20:33
Found 07-04-26, in Abies cephalonica. Diameter 1,
08-04-2026 10:39
FRANCIS FOUCHIERBonjour , je recherche en pdf cet article: KORF R
06-04-2026 21:36
Viktorie Halasu
Hello, could anyone please send me the article wi
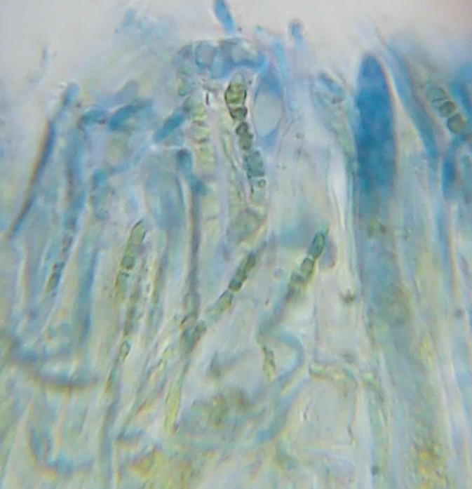
A friend sent me this one dried fruit. After moisturizing about 2.5 mm. According to a friend's account, it grew on the ground, but there are also mosses nearby.
Almost all the traits fit Hymenoscyphus epigaeus (= Phaeohelotium epigeum), now rather Bryoscyphus?
However, I am puzzled by quite large spores, I measured a few:
Me = 16.9 × 3.8 µm; Qe = 4.5
18.19 3.50
20.35 4.46
14.33 3.58
16.31 3.57
16.86 3.71
15.16 3.78
As you can see from the photos, the spores are already septate in ascus.
Croziers (+)
Reaction to iodine fairly gentle but regular (BB)
Sorry for the bad quality of the photos, but it is difficult to get a clear image from hydrated material.
best regards
Mirek
In my case, H. epiphyllus, due to the constant lack of moisture, usually grows on decaying stumps or thicker pieces of wood. In wet weather, also on finer wood remnants and on bedding.
best regards
Mirek











