05-03-2026 10:07
Hulda Caroline HolteHello, I found and collected this species growing
05-03-2026 16:30
François BartholomeeusenDear forum members, On the 2nd of February 2026,
19-02-2026 17:49
Salvador Emilio JoseHola buenas tardes!! Necesito ayuda para la ident
03-03-2026 20:34
Miguel Ángel Ribes
Good eveningThese small, amphora-shaped perithecia
01-03-2026 18:02
Francois Guay
I found this mystery Helotiales on an incubated le
28-02-2026 14:43
A new refrence desired :Svanidze, T.V. (1984) Novy
Hymenoscyphus calyculus?
Zuzana Sochorová (Egertová),
01-10-2025 20:16
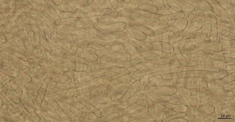
Hello,I would appreciate your opinion on this yellow Hymenoscyphus growing on a little twig, maybe of Rubus idaeus.
Asci 114-125 x 11-12 µm, H+, bb.
Ascospores (16.6) 17.7-19.2-20.8 (23.1) × (4.2) 4.3-4.7- 5 (5.9) µm, Q = (3.37) 3.70-4.07-4.54 (4.94), without cilita, not septate.
Paraphyses with strongly refractive guttules.
Using Bernard´s key, I have arrived to H. calyculus, but OCl is lower than 5 (but many pictures at the internet also show spores with lower OCl).
Hans-Otto Baral,
01-10-2025 20:58
Re : Hymenoscyphus calyculus?
Hi Zuzana
it is curious that H. calyculus is so rarely recorded, when I began with Helotiales about 50 years ago I thought that it is a common species.
No, the spores here are not really scutuloid. Some of them have a recognizably upper and lower end, but there is no clear asymmetry at the upper apex.
It must be H. epiphyllus.
The stalk here is never higher then wide, while in H. calyculus it can be >5x longer than wide.
Zotto
Zuzana Sochorová (Egertová),
01-10-2025 22:15
Re : Hymenoscyphus calyculus?
Hi Zotto,
thank you very much.
I have ommited Phaeohelotium and went directly to Hymenoscyphus...
Z
thank you very much.
I have ommited Phaeohelotium and went directly to Hymenoscyphus...
Z













