24-03-2026 19:59
William Slosse
Hello everyone,On 23/03/26, I found the following
21-03-2026 15:13
Lepista ZacariasHello everyone, Does any one know of any literatu
24-03-2026 21:37
Elisabeth StöckliBonsoir,Sur bois (tronc) très pourri de conifère
24-03-2026 21:07
Ethan CrensonHello all, A friend collected this asco in a wood
23-03-2026 20:16
Miguel Ángel Ribes
Good eveningI'm unable to identify this Coprotus o
24-03-2026 15:44
Åge OterhalsI hope someone can confirm the name of this collec
20-10-2017 09:23
Garcia SusanaEste otro crecía en el mismo trocito de madera qu
Encoelia-like fungus
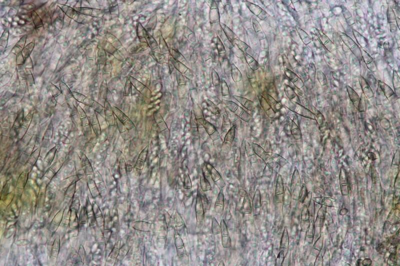
Thorben Hülsewig,
02-11-2021 18:26
yesterday i found this ascomycet on a unkown rotten wood (possibly picea).
It could be there is a parasit in it or the spore-like structures are the paraphyses.
The asci are IKI-
Any idea what this could be ?
best regards,
Thorben
Björn Sothmann,
02-11-2021 18:34
Re : Encoelia-like fungus
Hi Thorben,
this looks like Diplocarpa bloxamii.
Best,
Björn
Thorben Hülsewig,
02-11-2021 18:51
Re : Encoelia-like fungus
Hi Björn,
thank you that fits well :)
best regards,
Thorben
thank you that fits well :)
best regards,
Thorben
Hans-Otto Baral,
02-11-2021 20:41
Re : Encoelia-like fungus
Hallo Thorben
this is superb! Could you please send me the sample data for an article on the species? It would also be interesting if you measured spores etc. How big are the apos?
You should definitely look at the anatomy of the wood. Softwood would be very unusual.
You should definitely look at the anatomy of the wood. Softwood would be very unusual.
The wood looks superficially blackened. Sometimes the fungus grows on Armillaria rhizomorphs. Maybe it grow on different fungi. The furrows in the wood do not look like a conifer.
Zotto
Thorben Hülsewig,
03-11-2021 16:52
Re : Encoelia-like fungus
Hallo Zotto,
ich schicke dir gleich eine E-Mail.
best regards,
Thorben
ich schicke dir gleich eine E-Mail.
best regards,
Thorben









